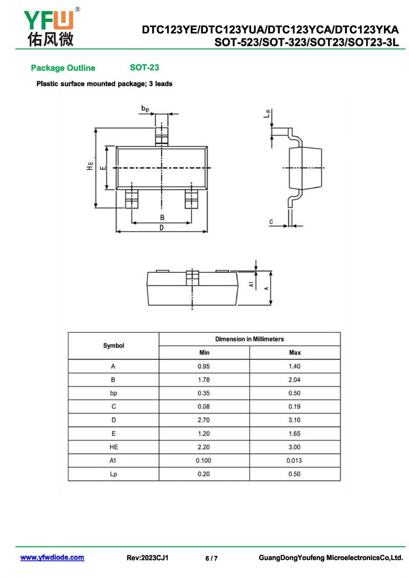
DTC123YE SOT-523数字晶体管YFW佑风微

佑风微原厂数字晶体管DTC123YE中文资料,PDF数据手册,引脚图,封装规格,厂家原厂,找DTC123YE上佑风微电子官网

浏览:1663 次

客服微信
咨询电话
0769-82730221