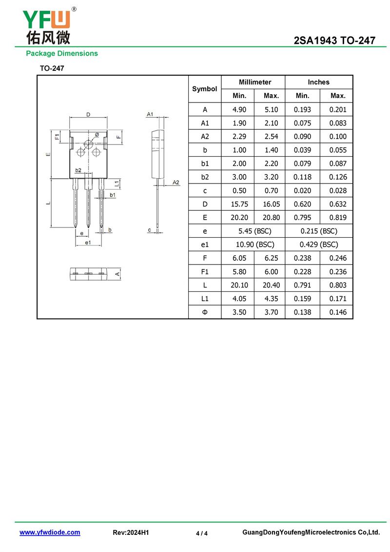
yfwdiode,Transistor 2SA1943 data,PDF data book,Pin figure,Packaging specifications,Diode manufacturer 2SA1943 diode
BT169-600 SOT-89_ Thyristor_YFW brand
MMUN5211DW SOT-363_Triode_YFW brand
MMUN5212DW SOT-363_Triode_YFW brand
MMUN5213DW SOT-363_Triode_YFW brand
MMUN5214DW SOT-363_Triode_YFW brand